УЗАМ-412
| УЗАМ-412 | |
|---|---|
| | |
| Общие данные | |
| Производитель | УМПО |
| Прозвище |
«Уфа», «УМЗ» (в автомобилях «Москвич 412») |
| Годы производства | 1966—2001 |
| Производительность | |
| Максимальная мощность | 75 л. с., при 5800 об/мин |
| Максимальный крутящий момент | 114 Н·м, при 3000-3800 об/мин |
| Камера сгорания | |
| Конфигурация | рядный |
| Объём | 1478 см3 |
| Диаметр цилиндра | 82,0 мм |
| Ход поршня | 70 мм |
| Материал блока цилиндров | алюминий |
| Материал ГБЦ | алюминий |
| Степень сжатия | 8,8 |
| Питание | |
| Топливная система | карбюраторная |
| Рекомендованное топливо | бензин АИ-93 |
| Система смазки | масляная с разбрызгиванием под давлением |
| Охлаждение | жидкостная с принудительной циркуляцией |
| Размеры и сухая масса | |
| Масса | 114 (в сборе с КПП) |
| Хронология | |
| Преемник | УЗАМ-331 |
УЗАМ-412 — бензиновый двигатель производства Уфимского завода авиационных моторов. Выпускался в 1967—2001 гг, устанавливался в модели автомобилей МЗМА (позднее АЗЛК), начиная с «Москвич 412» и автомобили Ижевского автозавода.
Являлся первым в СССР[источник не указан 3128 дней] массовым автомобильным двигателем с верхним расположением распределительного вала и триметаллическими вкладышами коленчатого вала.
История
Выпуск двигателя был поручен Уфимскому заводу авиационных моторов, куда была передана техническая документация разработчика агрегата — МЗМА. Конструктором двигателя являлся Игорь Иванович Окунев.
12 декабря 1966 года на Ижевском автозаводе с конвейера сошли первые экземпляры Москвич-408, укомплектованные новым двигателем[1].
Задержка начала производства собственного, положенного появившейся в 1987 году новой модели Москвич 2141 двигателя (с ременным приводом ГРМ) вынудила временно оснащать её силовым агрегатом предыдущего поколения, то есть УЗАМ-412. После развала СССР стало ясно, что производство моторов не начнётся вовсе. Таким образом данное паллиативное решение становилось постоянным. Поскольку мощности этого мотора было недостаточно для приведения модели «2141» в движение с нормальной динамикой, в начале 1990-х гг. на базе 1,5-литрового блока стали выпускаться модификации 1,6, 1,7 и 1,8 литров. В 1995 году появилась самая мощная 2-литровая модификация с индексом 3320[2]. Позже появились осовремененные образцы с системой принудительного впрыска топлива, однако их массовый выпуск так и не был начат. В планах также было освоение выпуска 16-клапанной модификации с гидротолкателями клапанов и гидронатяжителем цепи, с турбонаддувом,[3] что в итоге также не было осуществлено.
Конструкция
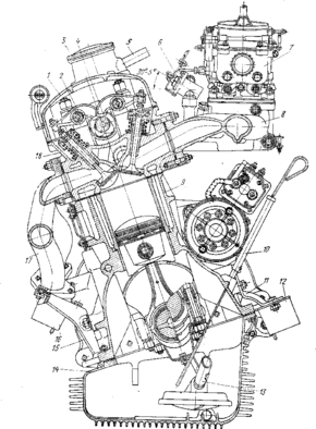
Четырёхцилиндровый рядный верхнеклапанный (SOHC) двигатель с «мокрыми» гильзами, запрессованными в алюминиевый блок. Коленвал стальной кованый, с резиновыми сальниками-манжетами на обоих концах. Привод ГРМ осуществлялся двухрядной роликовой цепью с натяжителем-звёздочкой, клапаны размещались V-образно под углом 52° по бокам распредвала[4].
На всей линейке двигателей (от базовой модели — 412, до последних, из серии 248) устанавливался одинаковый распредвал с "широкими" фазами газораспределения 280/280. Такое решение редко встречается на гражданских моторах и чаще встречается в сфере автоспорта. Столь широкие фазы, при идеально настроенной системе топливоподачи и зажигания, позволяют получить "эффект псевдо-турбонаддува" на высоких оборотах — цикловое наполнение цилиндров улучшается за счёт инерционного движения смеси во впускном тракте. Однако на средних (менее 3500 об/мин) и особенно низких оборотах эффективность работы мотора существенно снижается — поток смеси во впускном коллекторе на этих режимах не развивает больших скоростей и эффект получается полностью противоположным — часть смеси выталкивается из цилиндра обратно во впускной трубопровод.
Картер двигателя для улучшения охлаждения масла имеет как наружное, так и внутреннее оребрение, что позволило отказаться от установки масляного радиатора.
Для удобства обслуживания навесного оборудования посредством лап двигатель устанавливается в моторный отсек с завалом на 20° вправо, что также несколько уменьшило его высоту в подкапотном пространстве[5].
Автомобили
Ниже приведены автомобили, на которые ставился данный двигатель (в скобках — годы производства автомобиля):
- Москвич-412 (1967—1999)
- Москвич-427 (1967—1976)
- Москвич-434 (1967—1976)
- Москвич-2137 (1976—1985)
- Москвич-2140 (1976—1988)
- Москвич-2140SL (1980—1987)
- Иж-2125 (1973—1997)
- Иж-2715 (1972—2001)
Модификации
- УЗАМ 412ДЭ — 1,5 л. дефорсированный (использует свечи А17д и бензин А-76)
- УЗАМ 412Э — 1,5 л.
- УЗАМ 331.10 — 1,5 л., двигатель с измененной компоновкой для автомобиля «АЗЛК-2141» «Москвич», в качестве паллиативного решения — ввиду задержки с выпуском собственного современного поколения двигателей АЗЛК-2141x(-2142x).
- УЗАМ 3317 — 1,7 л. (АИ-93)
- УЗАМ 3313 — 1,8 л. (А-76)
- УЗАМ 331460 — 1,7 л., аналог 3317 для Иж-2126
- УЗАМ 331430 — 1,8 л. (А-76), аналог 3313 для Иж-2126
- УЗАМ 3318 — 1,8 л. (АИ-93), от УЗАМ 3317 отличался коленчатым валом с увеличенным на 5 мм радиусом кривошипа (40 мм), ход поршня увеличился до 80 мм, диаметр цилиндра — 85 мм, мощность — до 90 л.с. при 5300 об/мин., крутящий момент — до 145 Н·м при 3200 об/мин, степень сжатия — 8,5. Устанавливался на «АЗЛК-2141».
- УЗАМ 3320 — 2,0 от УЗАМ 3318 отличался диаметром цилиндра 88 мм.
- УЗАМ 248 AVL — 2,0 л. (инжектор)
Примечания
- ↑ Хроника: первый ижевский. ЗР (12 декабря 2011 года). Дата обращения: 29 февраля 2016. Архивировано 6 марта 2016 года.
- ↑ О сильном УЗАМе замолвите слово.... ЗР (№4, 1997).
- ↑ Л. М. Шугуров. 3 // Автомобили России. — Москва: ИЛБИ, 1998. — С. 225. — 240 с. — (Клуб фанатов техники). — 3000 экз. — ISBN 5-87483-052-9.
- ↑ Уфимское сердце Москвича. ЗР (№10, 1967).
- ↑ Уфимское сердце Москвича. ЗР (№11, 1967). Дата обращения: 23 сентября 2016. Архивировано 24 сентября 2016 года.